Property Overview
LOCATION! Check out this amazing nook and a neighborhood builder’s model split-level home near Hidden Lake featuring four levels, multiple walkouts, vaulted ceilings, and lake views. After renovation, the home will offer 4 bedrooms, 2 baths, (or add a 3rd) approximately 2,214 square feet, and a 2-car garage. Exterior value is driven by elevation, deck exposure, and views, while interior upside comes from reconfiguring the basement and modernizing finishes. A known basement slab issue and non-code deck system are the primary risks and are fully budgeted (see bids in photos) upfront. Priced to reflect structural scope this deal offers a conservative path to resale around upper $600’s or potentially the $700s with clear execution and no competition. This neighborhood is very desirable and most of the houses do not have full remodels. Ours will be exceptional in this area that supports high value upgrades.
Video Walkthrough
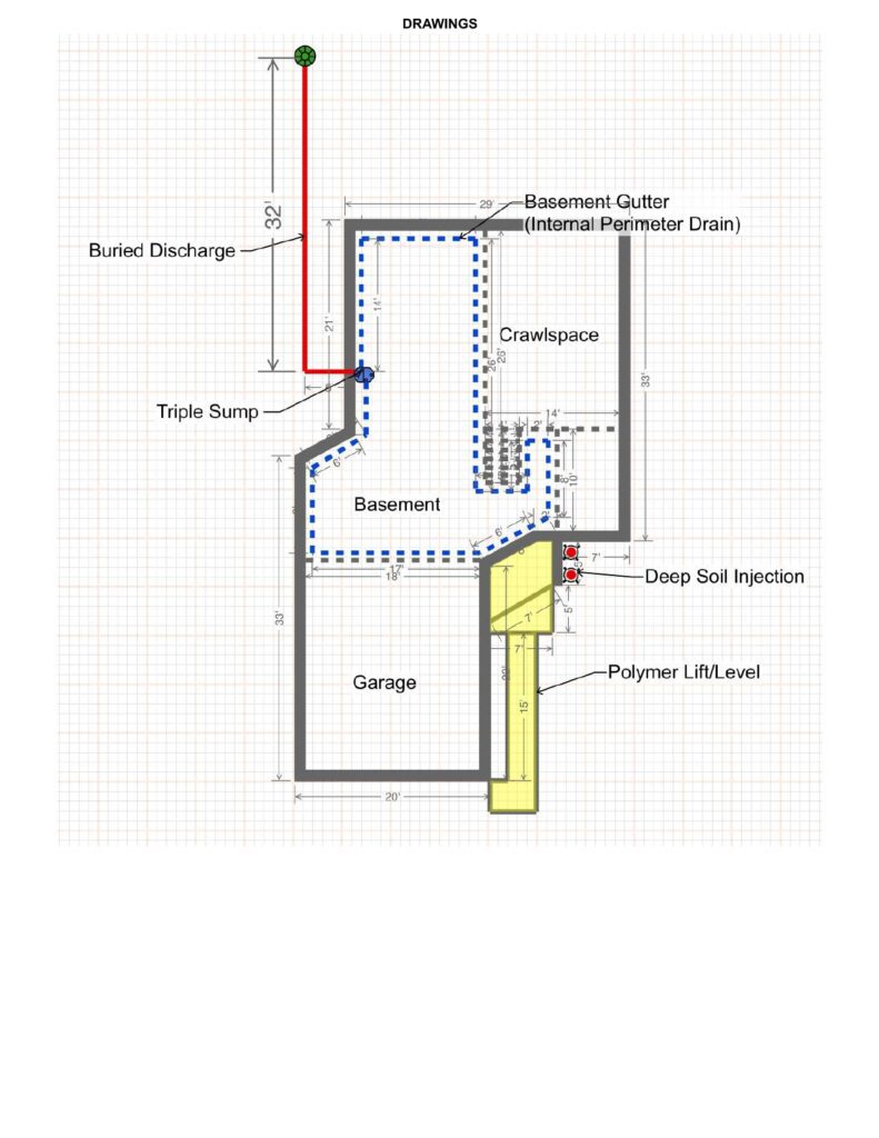
Basement slab replacement and structural repair
Deck demo and rebuild to code
Kitchen and baths remodel
Flooring throughout
Interior paint
Lighting updates
Replace water heater
Basement layout adjustments to add 1 bed
Exterior repairs and clean-up
Total Budget: $103,163
Most in the area are not full remodels. After you spend our large fix budget, this product will have a fully stabilized basement with slab replacement and structural repair, a code-compliant deck system, and a clean four-level layout delivering functional living space on every level. The renovation includes a new kitchen, remodeled baths, updated flooring, interior paint, modern lighting, and a new water heater, along with basement reconfiguration to add a fourth bedroom. Exterior repairs and clean-up complete the execution, positioning the home with vaulted ceilings and lake views as the supporting a premium resale near Hidden Lake.
Off-market split-level home near Hidden Lake featuring four levels, multiple walkouts, vaulted ceilings, and lake views. After renovation, the home will offer 4 bedrooms, 2 baths, approximately 2,214 square feet, and a 2-car garage. Exterior value is driven by elevation, deck exposure, and views, while interior upside comes from reconfiguring the basement and modernizing finishes. A known basement slab issue and non-code deck system are the primary risks and are fully identified upfront. Priced to reflect structural scope, timeline, and capital exposure, this deal offers a conservative path to resale around mid-$600's with clear execution and no buyer competition.
Closing is scheduled for 04/20/2026.
4 bed, 2 bath, 2214 sq ft
6875 Winona St, Westminster, CO 80030 Zillow
Sold 11/07/2025 for $635,000, 4 bed, 2 bath, 2,170 sq ft. Subject has lake views and will have more modern finishes to easily surpass this one.
6862 Wyman Way, Westminster, CO 80030 Zillow
Sold 03/31/2025 for $925,000, 4 bed, 2.5 bath, 2,061 sq ft. Right across Hidden Lake, with size and layout similar to subject. It supports the upside ceiling for renovated homes in this market and helps justify area potential when combined with other recent comps in the corridor.
6834 Winona St, Westminster, CO 80030 Zillow
Sold 6/20/2025 for $999,000. Listed 1/22/2026 at $1,550,000, 3 bed, 3 bath, 2,384 sq ft, fully remodeled lakefront home on Hidden Lake with multiple decks, water views, and premium finishes. This property represents the area potential ceiling for a high-end product in this location; subject property is not waterfront, but proximity to this sale supports strong buyer demand near Hidden Lake.
4626 W 68th Ave, Westminster, CO 80030 Zillow
Sold 5/21/2024 for $634,000, 4 bed, 2 bath, 2,170 sq ft. Directly comparable size and location within the same Westminster corridor. Fully updated and showing how move-in product in this pocket currently trades near the mid-$600Ks; updated subject property supports the market band and underpins value assumptions for renovated inventory in this area.
